# 简介
- STM32 是 ST 公司基于 ARM Cortex-M 内核开发的 32 位微控制器
- STM32 常应用在嵌入式领域,如智能车、无人机、机器人、无线通信、物联网、工业控制、娱乐电子产品等
- STM32 功能强大、性能优异、片上资源丰富、功耗低,是一款经典的嵌入式微控制器
![]()
# ARM 简介
- ARM 既指 ARM 公司,也指 ARM 处理器内核
- ARM 公司是全球领先的半导体知识产权(IP)提供商,全世界超过 95% 的智能手机和平板电脑都采用 ARM 架构
- ARM 公司设计 ARM 内核,半导体厂商完善内核周边电路并生产芯片
![]()
![]()
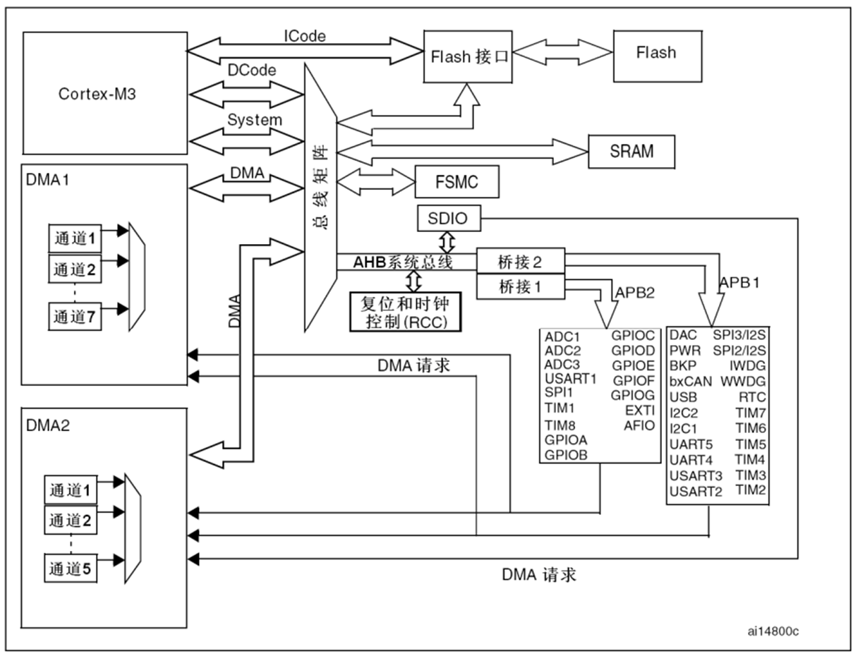
# 芯片命名规则 / 系统结构
![]()
![]()
# STM32F103C8T6
- 系列:主流系列 STM32F1
- 内核:ARM Cortex-M3
- 主频:72MHz
- RAM:20K(SRAM)
- ROM:64K(Flash)
- 供电:2.0~3.6V(标准 3.3V)
- 封装:LQFP48
![]()
# 片上资源 / 外设
| 英文缩写 | 名称 | 英文缩写 | 名称 |
|---|
| NVIC | 嵌套向量中断控制器 | CAN | CAN 通信 |
| SysTick | 系统滴答定时器 | USB | USB 通信 |
| RCC | 复位和时钟控制 | RTC | 实时时钟 |
| GPIO | 通用 IO 口 | CRC | CRC 校验 |
| AFIO | 复用 IO 口 | PWR | 电源控制 |
| EXTI | 外部中断 | BKP | 备份寄存器 |
| TIM | 定时器 | IWDG | 独立看门狗 |
| ADC | 模数转换器 | WWDG | 窗口看门狗 |
| DMA | 直接内存访问 | DAC | 数模转换器 |
| USART | 同步 / 异步串口通信 | SDIO | SD 卡接口 |
| I2C | I2C 通信 | FSMC | 可变静态存储控制器 |
| SPI | SPI 通信 | USB OTG | USB 主机接口 |
![]()
![]()
# 最小系统电路
![]()
# 参考资料